products
GF系列低噪声离心式风机
GF系列低噪声离心式风机GL280~630,我公司专为矿井,试验室,和对噪声有特定要求的客户定制研发的风机,此风机具有风量大,风压大,噪声小的特点,最高噪声只有86分贝,比同尺寸的轴流式风机分贝数要小10~20分贝左右!
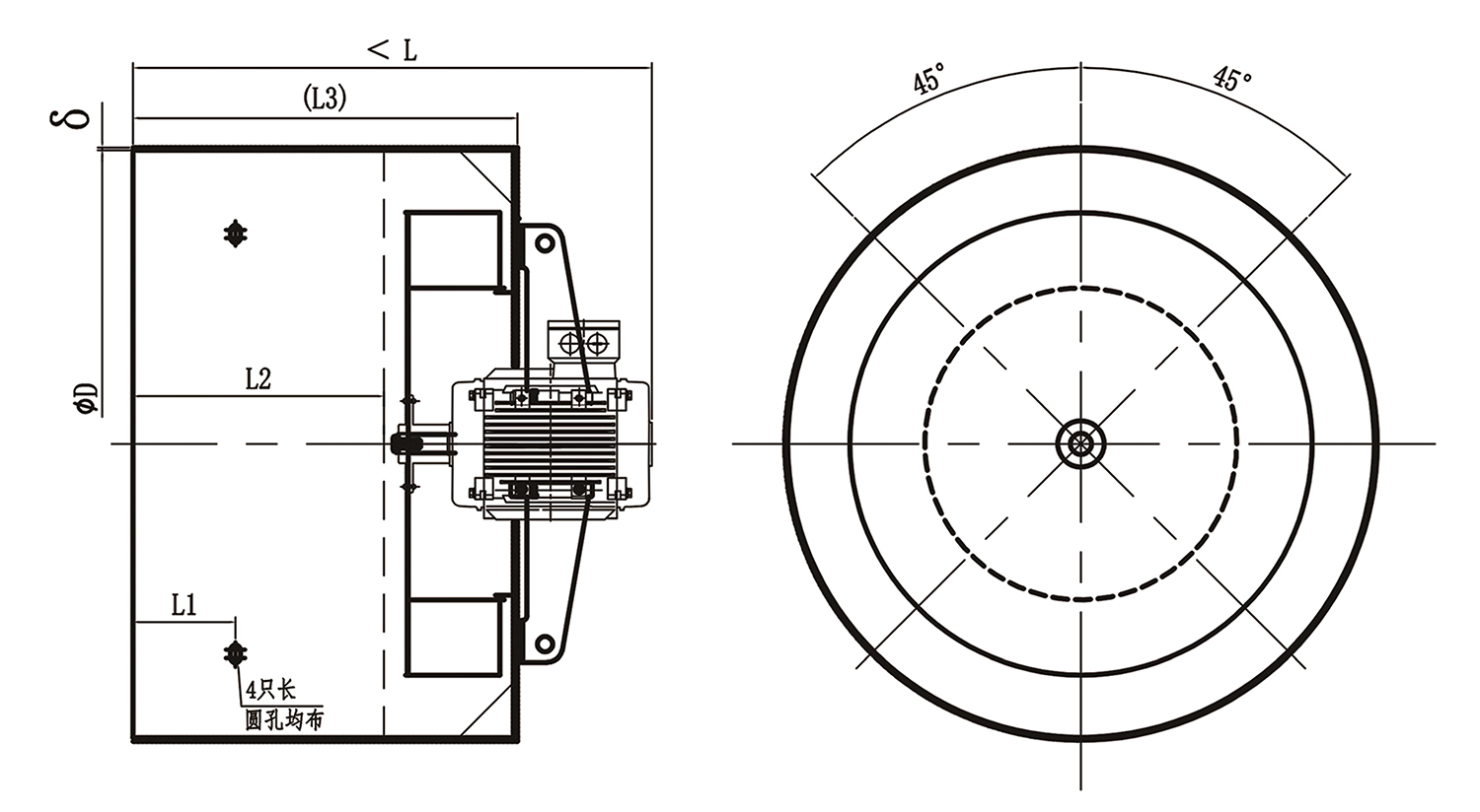
外形安装尺寸
注:根据客户要求定制,仅供参考。
关于双超风机
新闻动态
产品展示
技术装备
联系我们
媒体关注
Copyright © 2023 无锡市双超风机有限公司 版权所有,未经授权禁止任何方式的复制、抄袭、转载等。
苏ICP备2024073904号-1