products
GFB系列复合型防爆冷却风机
产品证书
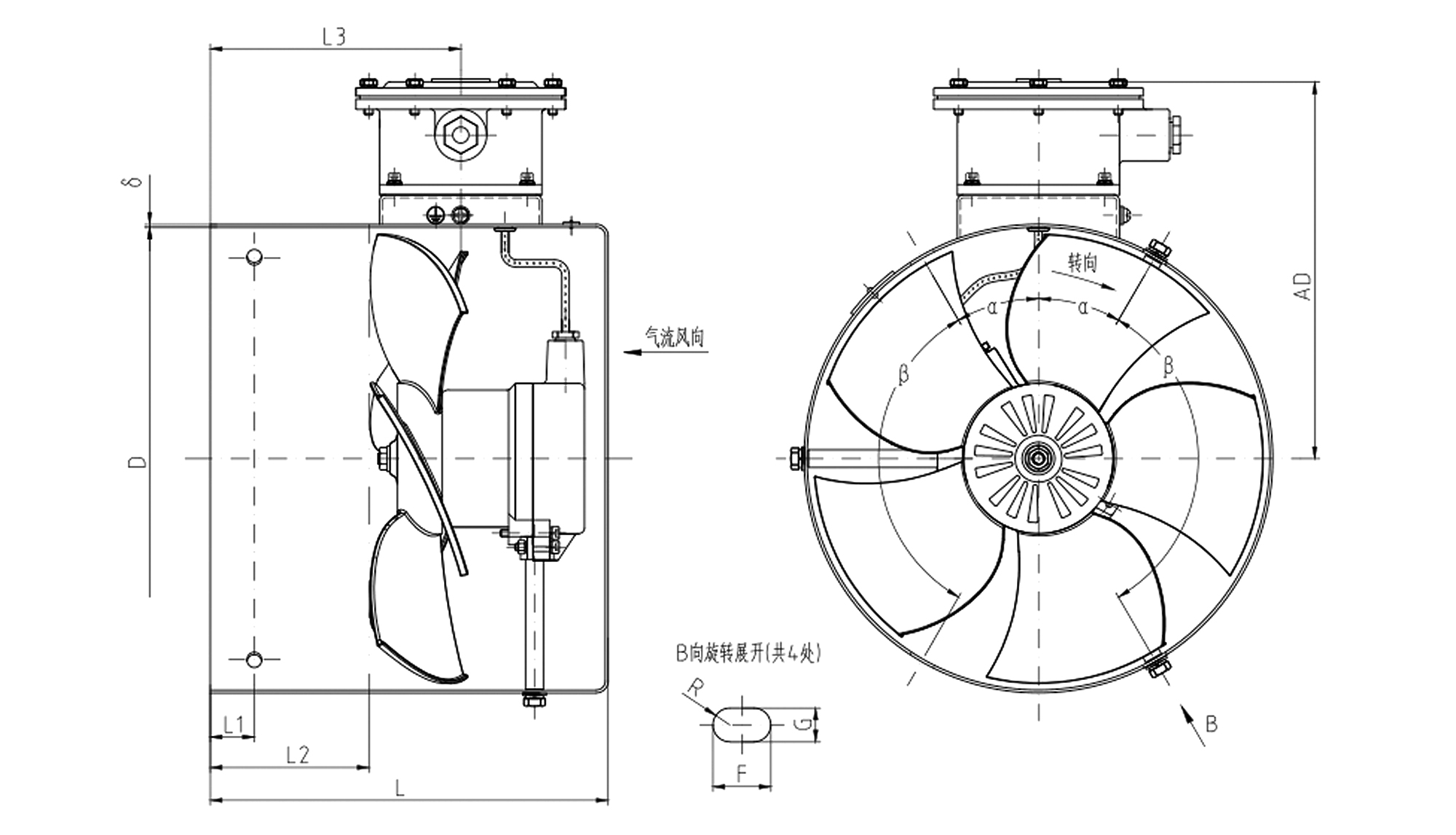
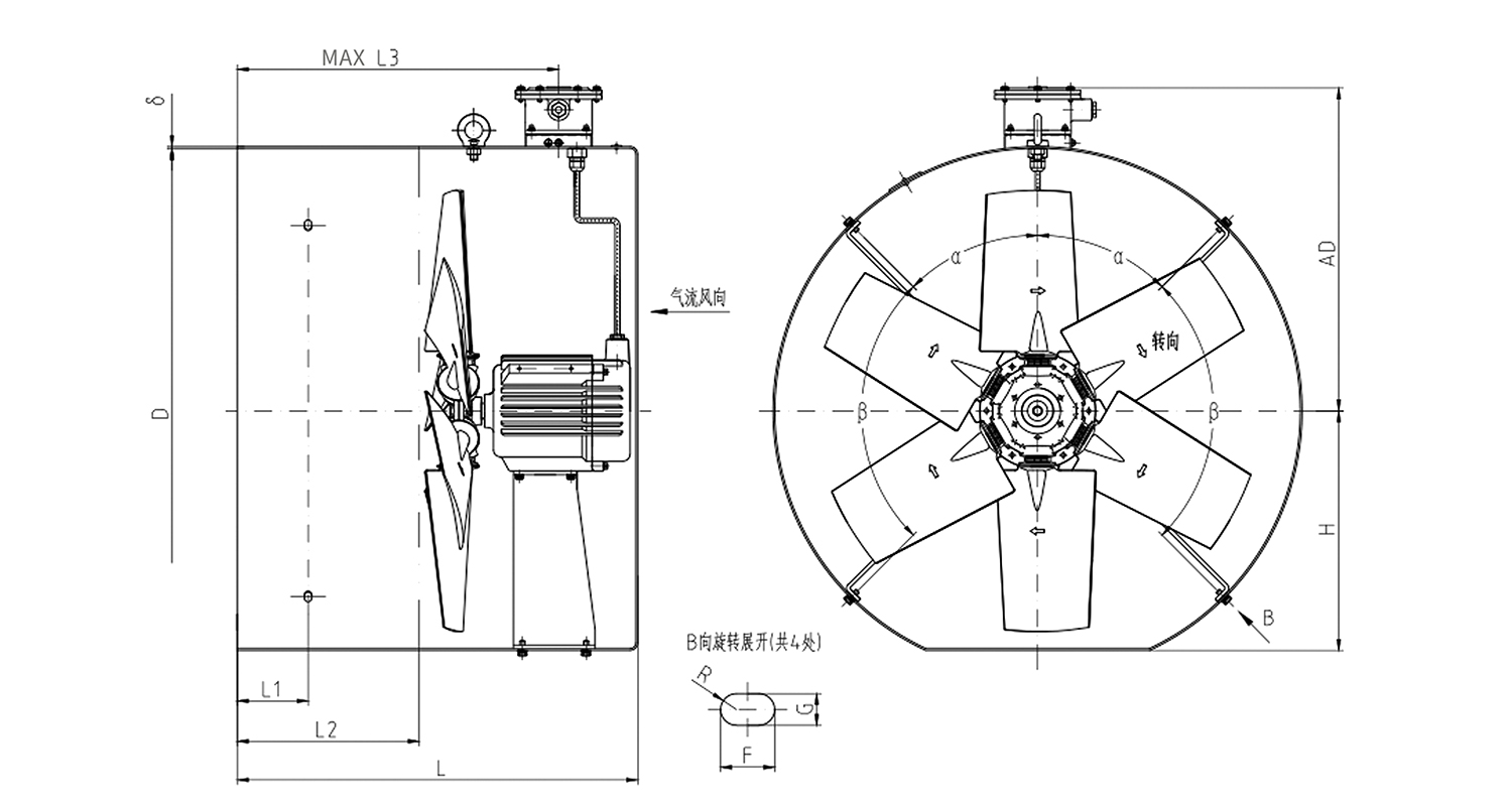
外形安装尺寸
图1 GFB71A~250A风机安装及外形
图2 GFB71A~250A风机安装及外形
图3 GFB400A风机安装及外形
关于双超风机
新闻动态
产品展示
技术装备
联系我们
媒体关注
Copyright © 2023 无锡市双超风机有限公司 版权所有,未经授权禁止任何方式的复制、抄袭、转载等。
苏ICP备2024073904号-1