L系列离心风机
L系列离心通风机有空气过滤器和通风机再部分组成。风机机壳有两种形式,其中L-03~L-064 采用铝合金整体浇铸机壳,L-065~L-13采用钢板焊接结构机壳。风机整体造型美观,结构紧 凑,拆装维修方便。L系列离心通风机主要用于乙系列直流电动机的强迫风冷,也可以做成背 包式风机用于起重电机或特殊电机的强迫冷却通风,或其他场所和设备散热之用。过遮器采用 无纺布过滤,更换方便,保证输送清洁空气。
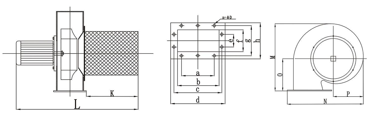
离心风机安装图
L系列离心通风机安装尺寸
